型号:EFi75xx
风量:4250m3/hr
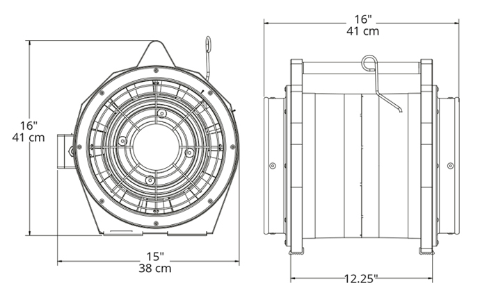
体积:406/381/406mm
电话:133-7212-5666
产品描述:【苏州萨沃纳】供应EFi75xx防爆通风机,此款EFi75xx便携式防爆风机常用于易燃易爆环境、受限密闭空间通风换气使用,化工厂防爆风机,实验室防爆风机,便携式防爆风机,储罐防爆通风机.询:133-7212-5666
一、EFi75xx防爆通风机特点:
1、EFi75xx防爆通风机获得ATEX认证,可在易爆环境中安全使用;
2、EFi75xx防爆通风机铝制涡轮叶片经过高精度动平衡调节;
3、高强度,耐化学药剂,碳化ABS机壳可将静电安全传输至地面;
4、密闭开关盒进过IP65雨淋测试;
5、EFi75xx防爆通风机内置风管适配器;
6、安全传输易爆危险气体;
7、正负压风机,可根据使用环境不同选择抗静电或非抗静电的20cm/30cm风管;
8、EFi75xx防爆通风机属于正负压排烟通风,可根据不同使用环境选择抗静;
9、电或非抗静电直径20cm 或30cm风管(直径20cm风管要求配套使用风管适配器);
二、EFi75xx防爆通风机参数表:
型号 | EFi75xx |
货号 | EB7201xx |
无阻碍风量 | 4250m3/hr |
4.6m米风管 1-90° 转角 | 2829m3/hr |
7.6m米风管 1-90° 转角 | 2599m3/hr |
| 风机直径 | 30cm |
重量 | 20kg |
体积(高/宽/长) | 406/381/406mm |
噪音 | 89db |
发动机功率 | 0.5kW |
电源 | 115/230VAC,1ø,50/60Hz |
启动电流/运行电流 | 230V:27A/230V:5A |
认证证书 | CE,ATEX II 2 G Ex de IIB T6 GB |
7.6m抗静电风管 | FDT-1225CBB |
4.6m抗静电风管 | FDT-1215CBB |
风管适配器 | DC12 |
三、EFi75xx防爆通风机结构图:

四、EFi75xx防爆通风机使用案例:

联系人:沈先生
手 机:133-7212-5666
邮 箱:China@swn.cn
公 司:苏州萨沃纳
地 址:江苏省昆山市春晖路666号